ads/auto.txt

Hydraulic Circuit Drawing Software Free Download

The Hydraulic Circuit Design And Simulation Download Scientific Diagram

The Hydraulic Circuit Design And Simulation Download Scientific Diagram

Hydraulic Design Software

Hydraulic Design Software

2 Hydraulic Circuit Diagram For A Press Download Scientific Diagram

2 Hydraulic Circuit Diagram For A Press Download Scientific Diagram

Quickdesign With Smartconnect Offers Drag And Drop Schematic Tool Sun Hydraulics

Quickdesign With Smartconnect Offers Drag And Drop Schematic Tool Sun Hydraulics

Hydraulic Circuit Diagram For A System That Clamps Then Drills Download Scientific Diagram

Hydraulic Circuit Diagram For A System That Clamps Then Drills Download Scientific Diagram

Free Software Helps You Draw Fluid Power Schematics Hydraulics Pneumatics

Free Software Helps You Draw Fluid Power Schematics Hydraulics Pneumatics

Free Software Helps You Draw Fluid Power Schematics Hydraulics Pneumatics

It can be used in combination with the festo didactic gmbh co kg training hardware but also independently.

Hydraulic circuit drawing software free download. Free 3d cad program with instant pricing and instant online ordering now you can design custom parts select a wide range of machines and materials then simply click to order your custom parts online download it right now. Theoretically using this software you can try to design a generic schematic because some generic symbols like cylinders pumps motors pressure gauges and others also present in the library. Free specialized online fluid power design software.

But to make the design easily you have to use hydraforce hydraulic components mostly. It ships with more than one thousand symbols. Fluidsim 5 is a circuit diagram design and simulation program for pneumatics hydraulics and for electrical.

Kg and many more programs are available for instant and free download. You can easily create your own symbols in the symbols editor or have them drawn for you for a fee. Top downloads oxford dictionary.

Hydraulic circuit diagram software free download. Download festo fluidsim hydraulic software for free. Proficad is designed for drawing of electrical and electronic diagrams schematics control circuit diagrams and can also be used for pneumatics hydraulics and other types of technical diagrams.

Hydraulic schematic drawing capabilities robust schematic tool makes designing a hydraulic. Download your free copy of i design 5 0 today hydraforce s new i design hydraulic system design software allows you to design hydraulic schematics specify component placement of custom manifolds hics and export and prove out your circuit concept in automation studios. Fluidsim was developed as a joint venture between the university of paderborn festo didactic gmbh co kg and art systems software gmbh paderborn.

Professional Electrical Schematic Diagrams Maker Sacred Geometry Math Math Geometry Drawing Software

Professional Electrical Schematic Diagrams Maker Sacred Geometry Math Math Geometry Drawing Software

The Hydraulic Circuit Of Scissor Lifting System Download Scientific Diagram

The Hydraulic Circuit Of Scissor Lifting System Download Scientific Diagram

Automation Studio Hydraulic Pneumatic Electrical And Plc Simulation

Automation Studio Hydraulic Pneumatic Electrical And Plc Simulation

Simplified Hydraulic Circuit Of Hydraulic Telescopic Handler Main Download Scientific Diagram

Simplified Hydraulic Circuit Of Hydraulic Telescopic Handler Main Download Scientific Diagram

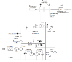
1 Conventional Electro Hydraulic Circuit Of The Main Lift Function Of Download Scientific Diagram

1 Conventional Electro Hydraulic Circuit Of The Main Lift Function Of Download Scientific Diagram

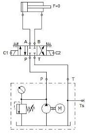
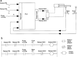
A Simple Plc Application A A Hydraulic Cylinder Controlled By A Plc Download Scientific Diagram

A Simple Plc Application A A Hydraulic Cylinder Controlled By A Plc Download Scientific Diagram

Hydraulic Circuit Of Fluid Power Control System Download Scientific Diagram

Hydraulic Circuit Of Fluid Power Control System Download Scientific Diagram

Schematic Diagram Maker Free Download Or Online App

Schematic Diagram Maker Free Download Or Online App

Schematic Diagram Of The Velocity Control System Of The Hydraulic Elevator Download Scientific Diagram

Schematic Diagram Of The Velocity Control System Of The Hydraulic Elevator Download Scientific Diagram

Hydraulic System Schematic Download Scientific Diagram

Hydraulic System Schematic Download Scientific Diagram

Fluidsim Hydraulic Open Circuit System Download Scientific Diagram

Fluidsim Hydraulic Open Circuit System Download Scientific Diagram

Excavator Hydraulic Diagram And Actuators Download Scientific Diagram

Excavator Hydraulic Diagram And Actuators Download Scientific Diagram

Download Automation Studio 6 0 Full And Free Marine Engineering Seafarer Career Guidance Factory Automation

Download Automation Studio 6 0 Full And Free Marine Engineering Seafarer Career Guidance Factory Automation

50 Best Digital Drawing Software Zi8f

50 Best Digital Drawing Software Zi8f

Source : pinterest.com